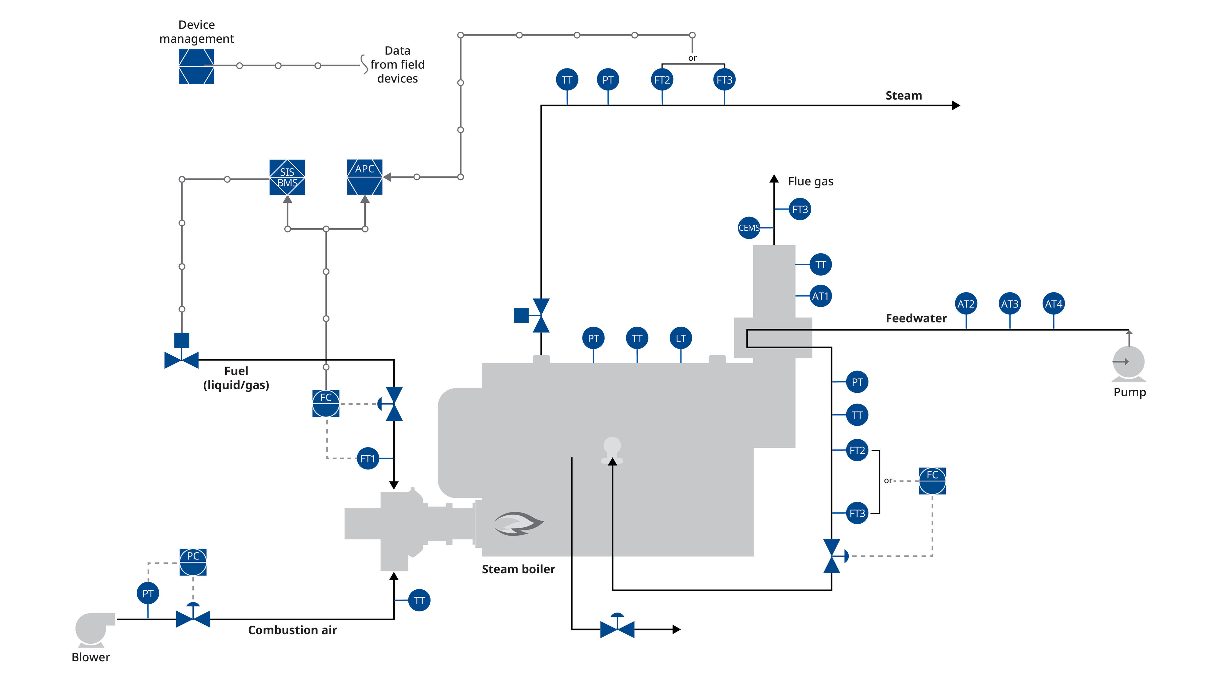
Tools to Address Process Issues, Instrumentation, and Control Strategies

Boilers and other combustion-based equipment are critical to virtually every chemical process and facility. Poor control results in increased fuel costs and emissions, while threatening product quality and throughput across the site, and in the worst case safety issues. Emerson’s automation technologies and combustion process know-how help deliver long-lasting reliability, low costs, and optimal process performance.

Read More...
Click to continue reading Tools to Address Process Issues, Instrumentation, and Control Strategies

Solutions in Action: Instrumentation Data Supports Boiler Control

Frequently Asked Questions About Combustion and Boiler Control

Should instrumentation be different for a boiler than a fired heater?
Does adding hydrogen to our fuel affect the instrumentation?
How do we tell how much oxygen in our stack is actually excess oxygen?
Read More...
Click to continue reading Frequently Asked Questions About Combustion and Boiler Control
Please enable JavaScript to use this website.