Herramientas para abordar problemas de procesos, instrumentación y estrategias de control

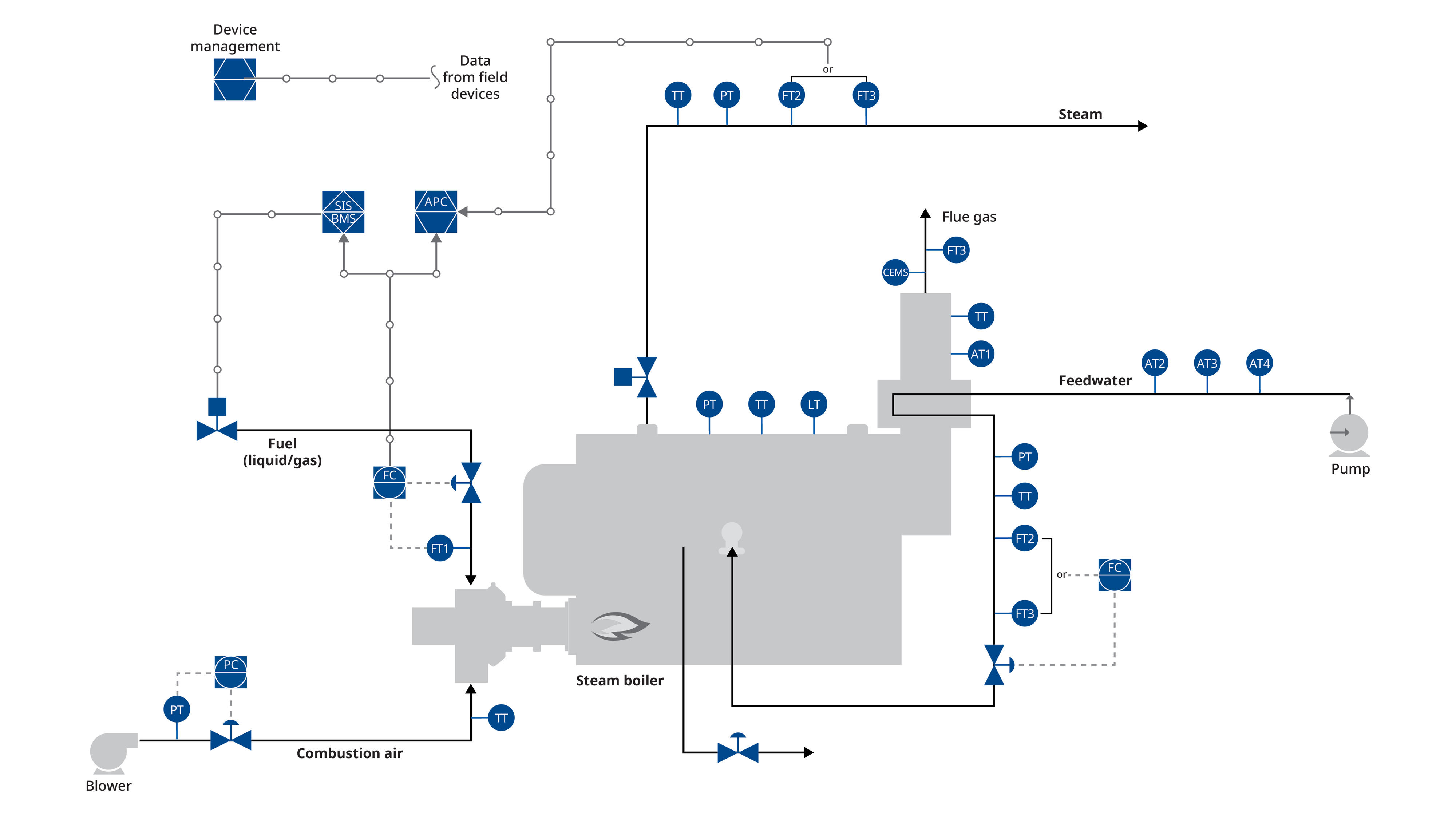
Las calderas y otros equipos basados en la combustión son fundamentales para prácticamente todos los procesos y plantas químicas. Un control deficiente se traduce en un aumento de los costos de combustible y las emisiones, al tiempo que pone en peligro la calidad del producto y el desempeño en toda la planta y, en el peor de los casos, plantea problemas de seguridad. Las tecnologías de automatización y los conocimientos técnicos sobre procesos de combustión de Emerson contribuyen a ofrecer una confiabilidad duradera, bajos costos y un desempeño óptimo de los procesos.

Ver más...
Haga clic para continuar leyendo Herramientas para abordar problemas de procesos, instrumentación y estrategias de control

Soluciones en acción: Los datos de instrumentación ayudan a controlar las calderas

Preguntas frecuentes sobre combustión y control de calderas

¿Debe ser diferente la instrumentación para una caldera que para un calentador?
¿Afecta a la instrumentación agregar hidrógeno a nuestro combustible?
¿Cómo podemos saber cuánto oxígeno de nuestra chimenea es realmente un exceso de oxígeno?
Ver más...
Haga clic para continuar leyendo Preguntas frecuentes sobre combustión y control de calderas
Habilite JavaScript para usar este sitio web.