Outils pour traiter les problèmes liés aux procédés, aux instruments et aux stratégies de contrôle

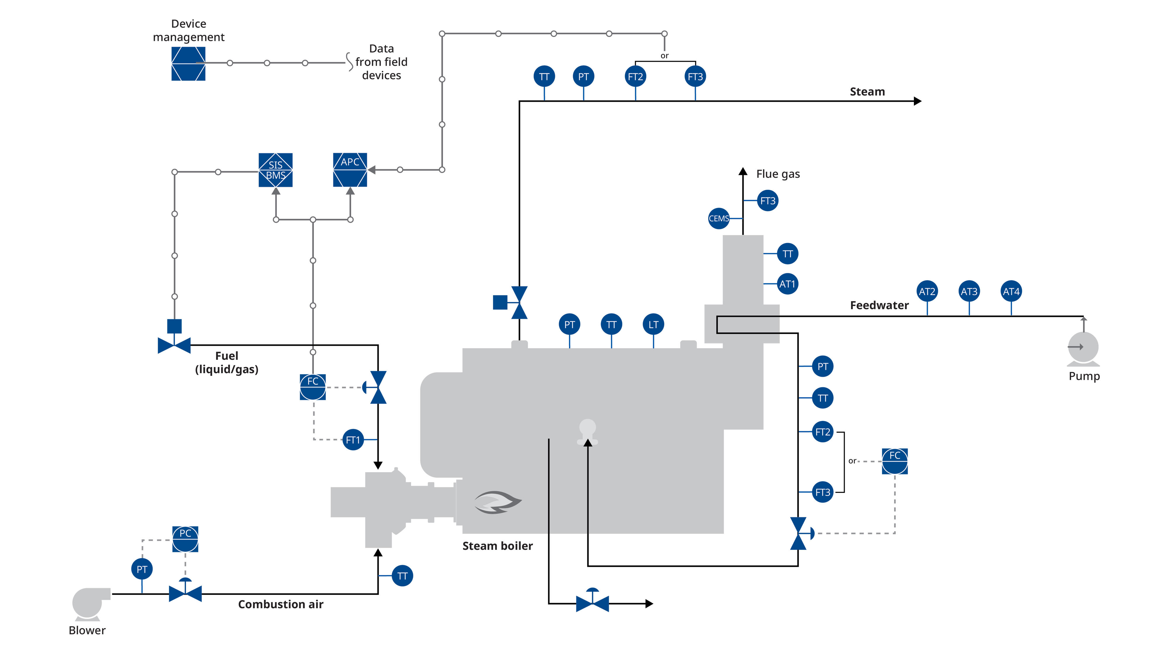
Les chaudières et autres équipements de combustion sont essentiels à la quasi-totalité des procédés et installations chimiques. Un contrôle insuffisant entraîne une augmentation des coûts de combustible et des émissions, ainsi qu’une menace pour la qualité des produits et la production sur l’ensemble du site, et dans le pire des cas, des problèmes de sécurité. Les technologies d’automatisation et le savoir-faire d’Emerson en procédés de combustion permettent d’assurer une fiabilité durable, une réduction des coûts et une performance optimale des procédés.

En savoir plus
Cliquez pour continuer la lecture Outils pour traiter les problèmes liés aux procédés, aux instruments et aux stratégies de contrôle

Solutions en action : Les données des instruments soutiennent le contrôle des chaudières

Foire aux questions sur le contrôle de la combustion et des chaudières

Est-ce que les instruments doivent être différents pour une chaudière par rapport à un réchauffeur à combustible ?
Est-ce que l’ajout d’hydrogène à notre combustible affecte les instruments ?
Comment savoir si la quantité d’oxygène présente dans une cheminée est en fait un excès d’oxygène ?
En savoir plus
Cliquez pour continuer la lecture Foire aux questions sur le contrôle de la combustion et des chaudières
Activez JavaScript pour utiliser ce site Web.